YJZQ高压球阀--上海弘新阀门有限公司

    面议

    上海弘新阀门有限公司

    进入店铺
    商品目录
    图文详情
    YJZQ高压球阀
    YJZQ高压球阀
    YJZQ高压球阀
    $@*【YJZQ高压球阀】*9$-【YJZQ高压球阀】|-|【YJZQ高压球阀】|-|上海弘新阀门有限公司
     如今随着我国经济与科技的大发展,阀门的品种也在不断增加,应用阀门的行业也越来越多,如石化行业、炼油行业、核电行业、火电行业等都有广泛的使用。而越来越多的行业应用也对阀门有更多新的要求,对阀门质量与技术要求也越来越高,下面标柏就带您来看一下阀门在各行业中的发展前景。石化行业:石化行业的竞争一直都很激烈,对阀门设备的要求也最为严格,未来的阀门将配合产业自动化,促进阀门设备总体水平提高,发展多功能、{gx}率、低消耗的石化阀门设备。我国石化企业每年的年产值都在千亿,这就说明我国有很大的阀门市场,我们应该从市场变化的角度去考虑,要保证稳中求发展。

    型 号:YJZQ系列
    口 径:DN10-50
    压 力:1.0-50MPa
    连接形式:螺纹
    结构形式:直通式
    密封结构:软密封、硬密封
    可选驱动:手动、气动、电动
    材质可选:铸钢、不锈钢
    上海弘新阀门有限公司
    话:021-31263820
    真:021-51069308
    机:15300626002
    址:上海松江工业区南乐路
    弘新生产的高压球阀,驱动方式可选用手动、气动、电动,连接方式可选用螺纹,结构形式可选用直通式,密封结构可选用软密封、硬密封,压力范围PN1.0-50MPa,公称通径为DN10-50mm,材质可选用铸钢、不锈钢。由于阀门的使用范围非常的广泛,同一种阀门在不同的场合与工况有不同的搭配,如果您是非专业人士,欢迎您向本公司来电咨询。本公司有专业技术人员为您服务!技术部电话:021-31263820

    YJZQ系列高压球阀图形符号

    YJZQ高压球阀

    技术参数
    公称压力:31.5MPa
    适用介质:液压油

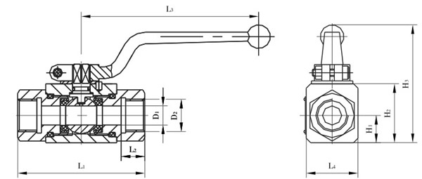
    YJZQ系列高压球阀外形尺寸

    YJZQ高压球阀

    YJZQ系列高压球阀内螺纹连接

    型号
    D1
    D2
    L1
    L2
    L3
    L4
    H1
    H2
    H3
    YJZQ-J10N
    Ф10
    M18×1.5
    78
    14
    105
    32
    16
    36
    76
    YJZQ-J15N
    Ф15
    M22×1.5
    86
    16
    147
    38
    19
    45
    80
    YJZQ-J20N
    Ф20
    M27×2
    108
    18
    185
    48
    25
    55
    101
    YJZQ-J25N
    Ф25
    M33×2
    116
    20
    185
    57
    28.5
    64
    111
    YJZQ-J32N
    Ф32
    M42×2
    136
    22
    240
    75
    37.5
    84
    134
    YJZQ-J40N
    Ф40
    M48×2
    148
    24
    240
    85
    42.5
    95
    165
    YJZQ-J50N
    Ф50
    M64×2
    180
    26
    240
    104
    52
    112.5
    180

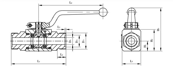
    YJZQ系列高压球阀外螺纹连接

    YJZQ高压球阀

    型号
    D1
    D2
    D3
    L1
    L2
    L3
    L4
    L5
    H1
    H2
    H3
    YJZQ-J10W
    Ф10
    Ф20
    M27×1.5
    94
    16
    2
    105
    32
    16
    36
    76
    YJZQ-J15W
    Ф15
    Ф22
    M30×1.5
    102
    16
    2
    147
    38
    19
    45
    80
    YJZQ-J20W
    Ф20
    Ф28
    M36×2
    124
    18
    2.5
    185
    48
    25
    55
    101
    YJZQ-J25W
    Ф25
    Ф35
    M42×2
    136
    20
    2.5
    185
    57
    28.5
    64
    111
    YJZQ-J32W
    Ф32
    Ф40
    M52×2
    150
    20
    2.5
    240
    75
    37.5
    84
    134
    YJZQ-J40W
    Ф40
    Ф50
    M64×2
    180
    24
    2.5
    240
    85
    42.5
    95
    165
    YJZQ-J50W
    Ф50
    Ф60
    M72×2
    210
    26
    2.5
    240
    104
    52
    112.5
    180

     
    炼油行业:我国炼油工业经过60年发展,生产规模迅速扩大。在一系列政策措施推动下,2010年我国炼油行业产值和产量持续增长,结构调整逐步推进,继续保持良好发展势头。2010年,炼油行业实现产值24252亿元,同比增长38%。因此也可看出我国炼油行业阀门应用市场空间巨大。
    核电行业:阀门在这个行业作为核电设备的基础设备,大致占有5-10%的容量。中国将继续其核电发展规划,在2015年和2020年核电装机容量分别达到40GW和75GW,中国将于2012年中期前后重启新核电项目的审批。所以在这个领域要不断的推出新产品、新设备来满足市场需求。
    话:
    021-31263820
    真:021-51069308
    机:15300626002
    箱:
    址:
    址:
    上海松江工业区南乐路
     
     
    除此之外,建筑行业以及特殊的行业都需要应用阀门。阀门的用途是十分广泛,在很多企业都有使用,这就充分说明阀门的发展十分迅速,前景良好。
    郑重声明:产品 【YJZQ高压球阀--上海弘新阀门有限公司】由 上海弘新阀门有限公司 发布,版权归原作者及其所在单位,其原创性以及文中陈述文字和内容未经(企业库qiyeku.cn)证实,请读者仅作参考,并请自行核实相关内容。若本文有侵犯到您的版权, 请你提供相关证明及申请并与我们联系(qiyeku # qq.com)或【在线投诉】,我们审核后将会尽快处理。
    留言预约
    电话预约
    留言
    *主题
    *手机
    *联系人